TS 4000 S * Overhead door closer with link arm for single leaf doors of up to 1400 mm leaf width with delayed closing
- Closing force with variable adjustment from EN 2-6
- Can be used for right and left hand doors without conversion
- Delayed closing adjustable to adapt the closing force of the door up to approx 80° opening angle
- Hydraulic latching action which accelerates the door shortly before it is closed
- Closing speed can be individually adjusted
- Integrated back check, slows down doors that are thrown open forcefully
- Visual closing force display for easy control of the setting
- All functions can be adjusted from the front
Application Areas
- Fire and smoke protection doors
- Right and left single-action doors
- Single-action doors up to 1400 mm leaf width
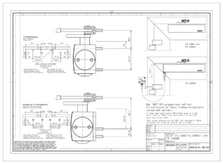
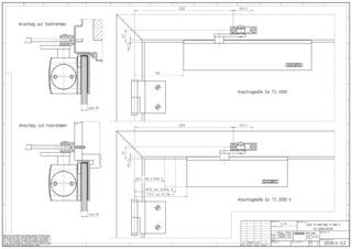
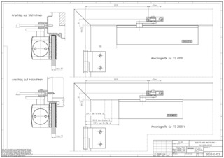
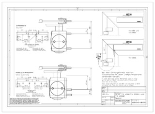
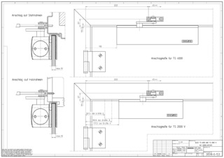
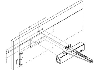
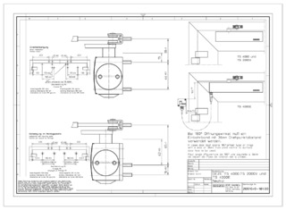
- Door leaf installation hinge side and transom installation opposite hinge side
- Door leaf installation on the opposite hinge side using a parallel arm installation is possible up to a closing force of EN 5
Technical data
| TS 4000 S | |
| Closing force in accordance with EN 1154 | EN 2 - 6 |
| Barrier-free in accordance with DIN 18040 up to leaf width (max.) in mm | 1100 mm |
| Leaf width (max.) | 1400 mm |
| Type of installation | Door leaf installation hinge side, Transom installation opposite hinge side, Door leaf installation opposite hinge side |
| Opening angle (max.) | 180 ° |
| Suitability for fire protection doors | Yes |
| Closing force adjustable | Yes, stepless |
| Adjustable closing speed | Yes |
| Latching action adjustable | Yes, via valve |
| Back check integrated | Yes, hydraulically adjustable |
| Delayed closing integrated | Yes |
| Position of closing force adjustment | Front |
| Visual closing force display | Yes |
| Hold-open function | Optional |
Downloads
Variants & Accessories
* Notice about the products displayed
The products mentioned above may vary in form, type, characteristics and function (design, dimensions, availability, approvals, standards etc.) depending on the country. For questions please contact your GEZE contact person or send us an E-Mail .