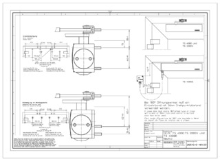
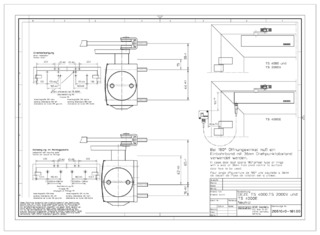
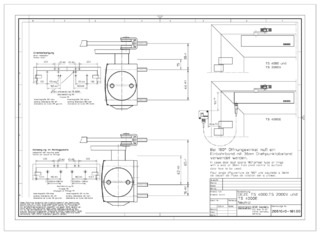
TS 4000 S * Cierrapuertas aéreo con brazo para puertas de hoja simple hasta 1400 mm de anchura de hoja con retardo de cierre
- Fuerza de cierre ajustable con ajuste variable EN 2-6
- Para puertas mano izquierda y mano derecha sin necesidad de modificación
- Retardo de cierre ajustable para adaptar la velocidad de cierre de la puerta hasta un ángulo de apertura aprox. de 80°
- Golpe final hidráulico que acelera la puerta brevemente antes del estado cerrado
- La velocidad de cierre se puede adaptar individualmente
- La amortiguación a la apertura integrada frena fuertemente las puertas
- Visor de fuerza de cierre para un control sencillo del ajuste
- Todas las funciones regulables desde la parte frontal
Áreas de aplicación
- Puertas cortafuegos
- Puertas batientes derechas e izquierdas
- Puertas batientes con una anchura de hoja de hasta 1400 mm
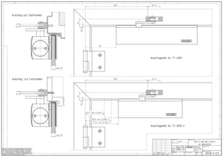
- Montaje en la hoja de la puerta lado bisagras y montaje en marco lado contrario bisagras
Especificaciones del producto
| TS 4000 S | |
| Fuerza de cierre según EN 1154 | EN 2 - 6 |
| Accesible según DIN 18040 con un ancho de hoja de hasta (máx.) en mm | 1100 mm |
| Ancho de hoja (máx.) | 1400 mm |
| Tipo de instalación | Montaje en la hoja de la puerta lado bisagras, Montaje en marco lado contrario bisagras, Montaje en la hoja de la puerta lado contrario bisagras |
| Ángulo de apertura (máx.) | 180 ° |
| Idoneidad puertas cortafuego | Si |
| Fuerza de cierre ajustable | Sí, de forma continua |
| Velocidad de cierre ajustable | Si |
| Golpe final ajustable | Sí, por válvula |
| Amortiguación de apertura integrada | Sí, de ajuste hidráulico |
| Retardo de cierre integrado | Si |
| Posición ajuste de la fuerza de cierre | Delante |
| Visor de fuerza de cierre | Si |
| Función de apertura mantenida | Opcional |
Descargas
Variantes y accesorios
* Nota acerca de los productos mostrados
Los productos mencionados anteriormente pueden variar en forma, tipo, características y función (diseño, dimensiones, disponibilidad, aprobaciones, normas, etc.) dependiendo del país. Para cualquier consulta, contacte con su persona de contacto de GEZE o envíenos un E-Mail .