TS 4000 EN 5-7 con brazo de bloqueo * Cierrapuertas aéreo con brazo para puertas de hoja simple hasta 1600 mm de anchura de hoja
- Fuerza de cierre con ajuste variable de EN5-7
- Para puertas mano izquierda y mano derecha sin necesidad de modificación
- Retención mecánica mediante el brazo de retención con área de retención 70°-150°
- Golpe final hidráulico que acelera la puerta brevemente antes del estado cerrado
- La velocidad de cierre se puede adaptar individualmente
- Freno de apertura integrado, frena las puertas fuertemente abiertas
- Visor de fuerza de cierre para un control sencillo del ajuste
- Todas las funciones ajustables desde delante (excepto el golpe final)
Áreas de aplicación
- Puertas batientes derechas e izquierdas
- Retención en abierto de las puertas sin requisitos de protección cortahumos y cortafuego
- Puertas batientes con una anchura de hoja de hasta 1600 mm
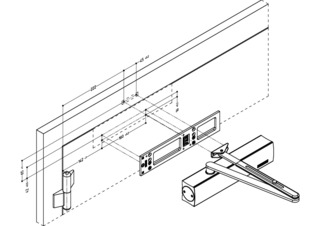
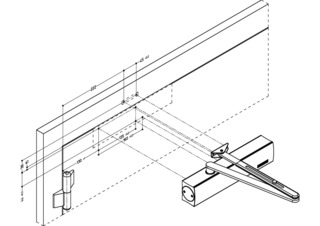
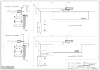
- Montaje en la hoja de la puerta lado bisagras
Especificaciones del producto
| TS 4000 EN 5-7 con brazo de bloqueo | |
| Fuerza de cierre según EN 1154 | EN 5 - 7 |
| Ancho de hoja (máx.) | 1600 mm |
| Tipo de instalación | Montaje en la hoja de la puerta lado bisagras |
| Ángulo de apertura (máx.) | 180 ° |
| Fuerza de cierre ajustable | Sí, de forma continua |
| Velocidad de cierre ajustable | Si |
| Golpe final ajustable | Sí, mediante brazo |
| Amortiguación de apertura integrada | Sí, de ajuste hidráulico |
| Posición ajuste de la fuerza de cierre | Delante |
| Visor de fuerza de cierre | Si |
| Función de apertura mantenida | Mecánico |
| Area de retención | 50 ° - 170 ° |
Descargas
LABELLING OBLIGATION: © GEZE GmbH
Variantes y accesorios
* Nota acerca de los productos mostrados
Los productos mencionados anteriormente pueden variar en forma, tipo, características y función (diseño, dimensiones, disponibilidad, aprobaciones, normas, etc.) dependiendo del país. Para cualquier consulta, contacte con su persona de contacto de GEZE o envíenos un E-Mail .