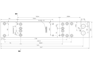
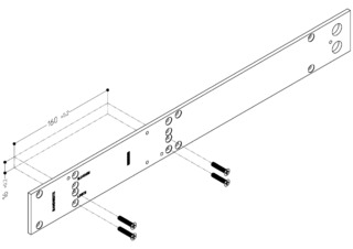
Placa de montaje cierrapuertas * Para TS 5000 RFS KM / TS 4000 R (-IS) con esquema de taladros según DIN EN 1154 suplemento 1
- Con esquema de taladros según DIN EN 1154 anexo 1
Áreas de aplicación
- Montaje del cuerpo del cierrapuertas según el esquema de talados DIN
Especificaciones del producto
| Placa de montaje cierrapuertas | |
| Placa de montaje con esquema de taladrado según el anexo de la norma EN 1154 | Si |
Descargas
Variantes y accesorios
* Nota acerca de los productos mostrados
Los productos mencionados anteriormente pueden variar en forma, tipo, características y función (diseño, dimensiones, disponibilidad, aprobaciones, normas, etc.) dependiendo del país. Para cualquier consulta, contacte con su persona de contacto de GEZE o envíenos un E-Mail .