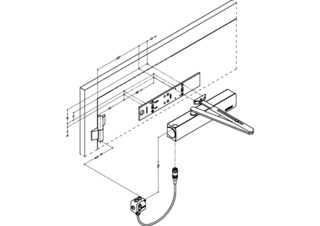
TS 4000 EFS * Cierrapuertas aéreo con brazo para puertas de hoja simple con un ancho de hoja de hasta 1400 mm y con función de movimiento libre eléctrica
- Fuerza de cierre ajustable con ajuste variable EN 1-6
- Tensión de funcionamiento 24 V DC
- Para puertas mano izquierda y mano derecha sin necesidad de modificación
- La función de movimiento libre permite acceder a la puerta con poco esfuerzo
- Función de movimiento libre después de una única apertura de la puerta en aprox. 90º
- Unidad de control del detector de humo conectable, cuya señal permite cerrar la puerta por sí misma en caso de incendio
- Golpe final mecánico que acelera la puerta brevemente antes del estado cerrado
- La velocidad de cierre se puede adaptar individualmente
- Visor de fuerza de cierre para un control sencillo del ajuste
- Todas las funciones ajustables desde delante (excepto el golpe final)
Áreas de aplicación
- Puertas cortafuegos
- Puertas batientes derechas e izquierdas
- Puertas batientes con una anchura de hoja de hasta 1400 mm
- Montaje en la hoja de la puerta lado bisagras
- Sistema de retención de apertura con función de apertura mantenida integrada con movimiento libre
- Entradas accesibles conforme a DIN 18040
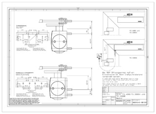
Especificaciones del producto
| TS 4000 EFS | |
| Fuerza de cierre según EN 1154 | EN 1 - 6 |
| Accesible según DIN 18040 con un ancho de hoja de hasta (máx.) en mm | 1400 mm |
| Ancho de hoja (máx.) | 1400 mm |
| Tipo de instalación | Montaje en la hoja de la puerta lado bisagras |
| Ángulo de apertura (máx.) | 180 ° |
| Tensión de entrada | 24 V DC |
| Idoneidad puertas cortafuego | Si |
| Área de libre franqueo | 80 ° - 175 ° |
| Fuerza de cierre ajustable | Sí, de forma continua |
| Velocidad de cierre ajustable | Si |
| Golpe final ajustable | Sí, mediante brazo |
| Posición ajuste de la fuerza de cierre | Delante |
| Visor de fuerza de cierre | Si |
| Función de apertura mantenida | Eléctrico, para función de movimiento libre |
Descargas
Variantes y accesorios
* Nota acerca de los productos mostrados
Los productos mencionados anteriormente pueden variar en forma, tipo, características y función (diseño, dimensiones, disponibilidad, aprobaciones, normas, etc.) dependiendo del país. Para cualquier consulta, contacte con su persona de contacto de GEZE o envíenos un E-Mail .